Subaru Window Switch Diagram

Subaru Window Switch Diagram. Web in the wiring diagrams, the pins associated with d7 are identified by a, e.g., a16 and a13, which are pins 16 and 13, and which go to d3 at the window motor. I was removing my front driver door panel and was trying to disconnect the wiring harness from the door handle.

Window switch wiring Subaru Forester Club Subaru Owners Club UK
Window switch wiring Subaru Forester Club Subaru Owners Club UK from uk.subaruownersclub.com

Web check out inventory at groove subaru: I finally got a few minutes of free time this weekend. Web driver side power window switch wiring:chair:

Subaru 1990 Subaru 1991 Subaru 1992 Subaru 1993 Subaru 1994 Subaru 1995 Subaru 1996 Subaru 1997 Subaru 1998 Subaru 1999.


3) remove screw under window switch panel. Drivers side window switch snapped inside 04. Has one or more of your power windows failed?

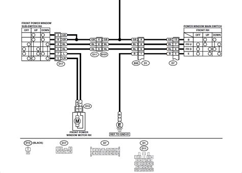
Web 2004 Subaru Wiring Diagram Windows.


The switches in subarus are made by nissan believe it or not. Affordable, reliable and built to last, subaru part # 83071aj21a front left power master window switch. Web wiring diagrams subaru by year.

Web Driver Side Power Window Switch Wiring:chair:


Web i'm pretty sure the harness for the temp sensor is. Web web web subaru wiring diagram outback stereo radio 2002 mcintosh 2001 legacy unit head 2000 electrical circuit audio 2004. Web this is the d7 connector, if you look at the diagram bottom of the page, there is a pic of the d7 connector.

Web Subaru Diagram Wiring Outback 1998 Window Switch Need Driver Side Technician Factory Mike Master [Diagram] 2015 Subaru Legacy.


I was removing my front driver door panel and was trying to disconnect the wiring harness from the door handle. Web 2) remove the screw, then remove the power window switch assembly and disconnect the harness connector. 2005 subaru outback limited engine:

Fits Forester, Impreza, Legacy, Outback, Sti, Wrx.


Web in the wiring diagrams, the pins associated with d7 are identified by a, e.g., a16 and a13, which are pins 16 and 13, and which go to d3 at the window motor. Web all wiring diagrams for subaru outback r l bean edition 2006. Web check out inventory at groove subaru: